Baycom kompatibles 1200 Baud Modem mit FX614

 

Einfache Bauanleitung für jedermann

  Baycom kompatibles 1200 Baud Modem mit FX614

Anwendung:

  • Modem für Packet Radio (im Amateur- und CB-Funk)

Features:

  • Voll kompatibel zu Baycom 1200 Baud serielles Modem, PC-COM und andere kompatible Modems
  • Keine externe Spannungsversorgung, Modem bezieht Spannung aus der seriellen Schnittstelle
  • läuft mit TFX_Port, TFX_UART und andere TFX-Treiber, mit L2 und SCC (von Baycom) und damit auch unter SP, GP und wie sie alle heissen mögen
  • Schaltung erdacht von Andre, SP3EJJ

Neues 1200 Baud Modem mit IC FX614

PC-COM, andere kompatible 1k2 Modems und das originale Baycom Modem für Packet Radio benutzen als zentrales IC das TCM3105 von Texas Instruments. Da es in der letzten Zeit teuer geworden ist, lohnt der Selbstbau eines PR-Modems damit kaum. Also schaut man sich nach preiswerten Alternativen um. Hier ist eine, mit dem FX614, einem BELL 202 Modemchip. Seit einigen Jahren wird das TCM3105 Modem-IC von Texas Instruments nicht mehr hergestellt. Lag der Preis dennoch unverändert bei etwa 16 bis 20 Mark, so konnte in den letzten Monaten ein Preisanstieg auf etwa 30 Mark beobachtet werden. Es scheint so, als gehen die Lagervorräte langsam zur Neige -- das wirkt sich auf den Preis aus, mit steigender Tendenz.
In Polen hat sich der Funkamateur Andre Lenica auf dem Markt der Bauelemente umgeschaut und fand zwei identische IC, die das bewährte TCM3105 ersetzen können. Mit dem FX614 und dem MX614 ist er fündig geworden. Damit gewährleisten derzeit zwei Hersteller die Verfügbarkeit des Bausteines: CML aus England produziert das FX614, MX-COM aus den USA gilt mit dem MX614 als zweite "Quelle". Da Andre nicht nur die IC aufgespürt, sondern zugleich einen zum Baycom Modem (=PC-COM-Modem) kompatiblen Schaltplan entwickelt hat, fällt der Nachbau leicht. (Mny thanks to SP3EJJ!) Wie beim Modem mit TCM3105 ist auch hier die Spannungsversorgung über die serielle Schnittstelle des PC vorgesehen, da das IC bei 5 Volt lediglich 1.7 mA benötigt. Alternativ kann es mit 3 Volt betrieben werden, dann sinkt die Stromaufnahme auf nur 1 mA. Im inaktiven Zero-Power-Mode fliessen schliesslich nur noch 1 uA.
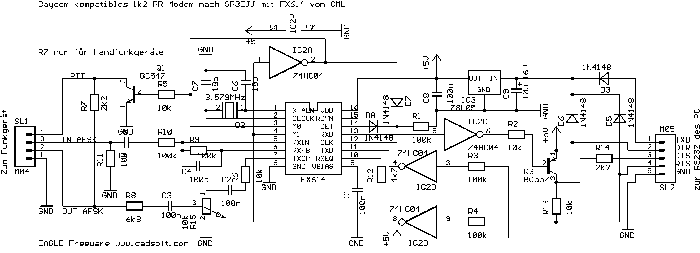
Der Schaltplan ist nicht umfangreicher der des originalen Baycom Modems

Auf das IC geschaut

Wie beim originalen Baycom-Modem, wird die Versorgungsspannung über einige Dioden aus der PC-Schnittstelle direkt gewonnen, ein 78L05 im Transistorgehäuse sorgt für eine konstante Spannung. Das Modem-IC wird laut Datenblatt mit 3.579545 MHz getaktet. Dessen logische Eingänge M0 und M1 steuern die Betriebsart des Modems. Sind M0 und M1 auf Low gesetzt, befindet es sich im Zero-Power Modus (1uA), andere Konbinationen schalten entweder auf Sendung oder Empfang. Der PC steuert dies über das Signal RTS (Request to Send) der seriellen Schnittstelle. Als PTT fungiert ein üblicher Transistor BC547, R7 mit 2k2 (2200 Ohm) wird nur eingelötet, falls ein Handfunkgerät verwendet wird, dass PTT und NF über eine Leitung führt (zum Beispiel bei Alinco, Kenwood u.a.). Das zweite IC der Schaltung, ein Inverter 74HC04, sorgt für die richtigen logischen Pegel am Modem-IC. So invertiert es beispielsweise die Sendedaten, die über das RS232-Signal DTR (Data Terminal Ready) in die Schaltung gelangen und dem IC an Pin TXD (Sendedaten) zugeführt werden. Die vom Modem empfangenen Daten gibt es an RXD (Empfangsdaten) aus, diese werden invertiert und über den PNP-Transistor BC557 an den RS232-Pegel der seriellen Schnittstelle angepasst und via CTS (Clear To Send) dem PC zur weiteren Verarbeitung zugeführt.
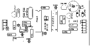
Die Platine ist dank einseitigem Layout leicht herzustellen

Ein wenig Lötkolbenarbeit

Das einseitige Platinenlayout ist sehr einfach und übersichtlich gestaltet und kommt ohne Lötbrücken aus. Die Platine ist so beschaffen, dass sie leicht in einem kleinen Gehäuse Platz findet. Dabei wird die 9-polige RS232-Buchse in das Gehäuse eingesetzt und über kurze Verbindungen mit der Platine verbunden. Für die Leitung zum Mikrofoneingang des Funkgerätes benutzt man ein abgeschirmtes Mikrofonkabel. Ein 1-adriges abgeschirmtes Kabel stellt die Verbindung zum Lautsprecheranschluss des Gerätes her. Beide Kabel werden direkt auf die Platine gelötet und über eine Zugentlastung aus dem Gehäuse herausgeführt. Die Anschlüsse zur Aussenwelt sind -- auf der Leiterbahnseite der Platine gut beschriftet -- rechts und links des Layouts angeordnet. Das einzige Trimmpoti dient zur Einstellung des NF-Sendepegels. Ein weiterer Abgleich ist nicht notwendig.
Der Bestückungsplan: Locker sind die Bauelemente auf der Platine verteilt

Einschalten und messen

Nach erfolgtem Aufbau der Schaltung sollte man zuerst die Platine sorgfältig auf unerwünschte Lötbrücken und kalte Lötstellen prüfen. Sodann sind einige Messungen vornehmen. Dazu wird weder das FX614/MX614 noch das 74HC04 bestückt. Verbinden Sie das Modem mit der seriellen Schnittstelle Ihres PC. Starten Sie das Packet Radio Programm nebst Treiber, zum Beispiel GP und dazu den Treiber, also etwa TFPCX oder TFX_UART oder einen anderen, vergleichbaren Treiber. Dies ist unbedingt notwendig, damit an der seriellen Schnittstelle die notwendigen Pegel anliegen, um die Spannung für das Modem zu erzeugen. Am Ausgang des 78L05 sowie an Pin 14 des 74HC04 sollte nun recht genau 5 Volt anliegen. Am Sockel des Modem-ICs stellt sich die Versorgungsspannung an Pin 16 an, Masse finden Sie an Pin 8. Trennen Sie das Modem nun von der seriellen Schnittstelle und setzen das IC 74HC04 ein. Verbinden Sie nun das Modem wieder mit der RS232 und dem Funkgerät, aber ohne Modem-IC! Lassen Sie Ihr Packetprogramm einen Connect ausführen. Ihr Funkgerät sollte nun auf Sendung gehen, falls nicht, messen Sie an der Basis von BC547 oder an R5. Haben Sie sauber gelötet, sollte es auf Anhieb funktionieren. Ist der kleine Test bis hierhin erfolgreich verlaufen, setzen Sie das Modem-IC in den Sockel ein (vorher Modem von der RS232 abziehen!) und versuchen den ersten Empfang. Ist auf der Frequenz etwas los, werden die ersten Datenpakete bald im Monitorfenster erscheinen. Ist auch das o.k., so kann eine Verbindung zum nächsten Digipeater oder einer benachbarten PR-Station erfolgen. Während das Modem die ersten Pakete sendet, stellen Sie mit dem Trimmpoti vorsichtig die Lautstärke des Sendepegels ein, bis der Digi oder die Station sich meldet. Falls es möglich ist, kontrollieren Sie Ihr Sendesignal akustisch über einen Empfänger oder ein zweites Funkgerät. Stellen Sie die Sendelautstärke nicht zu laut ein! Das FX614 kann man beispielsweise bei Atlantik-Elektronik GmbH, Frauenhoferstraáe 11a, 82152 Planegg bei München, Telefon 089-89505-0 oder Fax 089-89505-100 beziehen (jeweils 25 Stück).

 

Eine Freeware-Version von EAGLE kann unter https://www.cadsoft.de/ geladen werden.