Coherent Receiver

Zeit-, Phasen- und Frequenzsynchronisation von
Kostengünstige DVB-T-USB-Empfänger
Software Defined Radios in a Multi-Channel
Coherent Receiver
Xuan Liu
Überzetzung durch: 19NL001
▪ Motivation und Zielsetzung
▪ Theoretischer Hintergrund
▪ Kohärentes Mehrkanal-Empfängermodell
▪ Hardware- und Software-Implementierung
▪ Überprüfung und Messung
▪ Fazit und Ausblick
Motivation
Software Defined Radio (SDR)
▪ Vorteile
• Weniger Bedarf an dedizierter Hardware
• Erfüllen Sie Mehrzweck mit einem Modul
▪ Nachteile
• Die meisten SDR-Plattformen sind ziemlich teuer
• Weniger Machbarkeit für mehrere Geräte
RTL-SDR (DVB-T Receiver) ist derzeit der günstigste (ca. 10 €) und
hat überraschend gute Leistung in Bezug auf die allgemeine Benutzerfreundlichkeit
Zielsetzung:
▪ Theoretische Untersuchung von RTL-SDR
▪ Aufbau eines kohärenten Vierkanalempfängers mit RTL-SDRs
• Zeitsynchronisation
• Frequenzsynchronisation
• Phasensynchronisation
▪ Messung und Überprüfung
Theoretischer Hintergrund:
▪ Motivation und Zielsetzung
▪ Theoretischer Hintergrund
▪ Kohärentes Mehrkanal-Empfängermodell
▪ Hardware- und Software-Implementierung
▪ Überprüfung und Messung
▪ Fazit und Ausblick
Theoretischer Hintergrund
Software Defined Radio
▪ Software Defined Radio (SDR) bietet eine Lösung zum Aufbaueines flexiblen und
kosteneffizientes drahtloses Netzwerk durch Software, die einige oder alle der definiert Funkfunktionen.
▪ SDR-Blockdiagramm

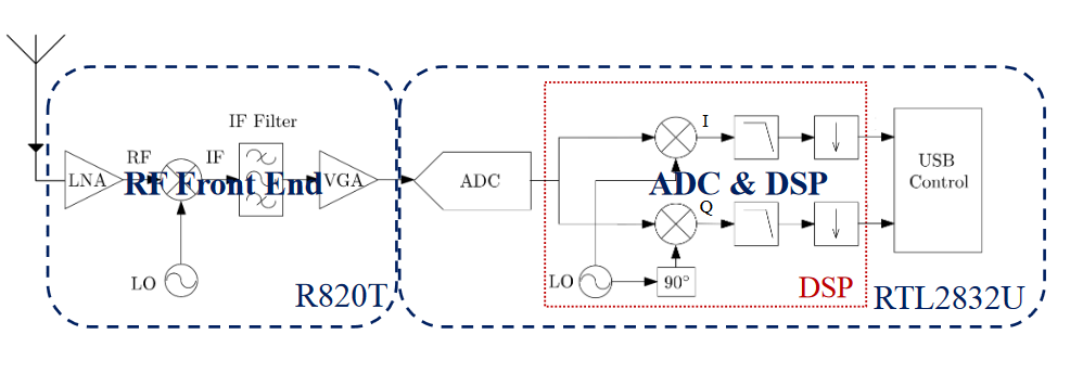
DVB-T-Dongle (RTL-SDR)

▪ MCX-Buchse
▪ USB 2.0
▪ Tuner-Chip R820T
▪ Demodulator-Chip RTL2832U
DVB-T als SDR

Kohärentes Mehrkanal-Empfängermodell
▪ Motivation und Zielsetzung
▪ Theoretischer Hintergrund
▪ Kohärentes Mehrkanal-Empfängermodell
▪ Hardware- und Software-Implementierung
▪ Überprüfung und Messung
▪ Fazit und Ausblick
Mehrkanaliges kohärentes Empfängermodell
▪ Kohärente Empfängeranforderung
• Der Abtasttakt muss zwischen den Empfängern synchronisiert werden
• Der Startzeitpunkt der Abtastung muss zwischen den Empfängern ausgerichtet sein
▪ Anwendungen, die einen phasensynchronen Empfang erfordern
• Frequenzsynchronisation
• Phase Vorkenntnisse
Mehrkanaliges kohärentes Empfängermodell
▪ Abtasttakt- und Frequenzsynchronisation
• Jitter und Drift der Uhr
• Der 28,8-MHz-Taktkristall ist die Einzeltaktquelle für RTL-SDR
• Lösung: Gemeinsame Nutzung einer gemeinsamen Taktquelle zwischen RTL-SDRs

Mehrkanaliges kohärentes Empfängermodell
▪ Fractional- N PLL-Restfrequenzfehler

• Kontinuierliche Phasendrift zwischen zwei RTL-SDRs, auch bei gemeinsamer Nutzung
der Clock entsteht eine Frequenzinkongruenz
• Verborges 17.th Bit des fractional- N PLL wird zufällig bei RETUNE eingestellt
• Frequenzfehlanpassung nimmt diskrete Werte an
Mehrkanaliges kohärentes Empfängermodell
▪ Zeitsynchronisation
• USB-Kommunikation einige Millisekunden
• PLL-Sperrzeit
max. 5ms
• Lösung: In jedes RTL-SDR am wird ein Breitband-Rauschsignal eingespeist
Beginn des Empfangs und Kreuzkorrelation wird berechnet
➢ Die Autokorrelation von weißem Rauschen ist eine Dirac-Delta-Funktion
➢ Zu Beginn des Antennenempfangs ist keine erneute Abstimmung erforderlich
• Der Zeitversatz bleibt konstant, solange keine Samples verloren gehen
Mehrkanaliges kohärentes Empfängermodell
▪ Phasensynchronisation
• Zufälliger Phasenversatz aufgrund der gebrochenen N- PLL im Tuner-Chip
R820T tritt bei jeder Neuabstimmung auf
• Lösung: Winkeldifferenz zwischen zeitlich ausgerichtetem Rauschsignal von RTL-
SDRs ist der Phasenversatz
• Der Phasenversatz bleibt konstant, solange keine Neuabstimmung erfolgt
Hardware- und Software-Implementierung
▪ Motivation und Zielsetzung
▪ Theoretischer Hintergrund
▪ Kohärentes Mehrkanal-Empfängermodell
▪ Hardware- und Software-Implementierung
▪ Überprüfung und Messung
▪ Fazit und Ausblick
Hardware- und Software-Implementierung

Hardware- und Software-Implementierung

Hardware- und Software-Implementierung

Überprüfung und Messung
▪ Motivation und Zielsetzung
▪ Theoretischer Hintergrund
▪ Kohärentes Mehrkanal-Empfängermodell
▪ Hardware- und Software-Implementierung
▪ Überprüfung und Messung
▪ Fazit und Ausblick
Überprüfung und Messung
▪ S- Parameter mit einem Zwei-Port-Vektor-Netzwerkanalysator
• Größe von S.21
➢ Überprüfung der PCB-Funktionalität
• Winkel von S.21
➢ PCB-Phasenkorrektur 
Überprüfung und Messung
▪ HF-Schalter auf Rauschempfang eingestellt

Überprüfung und Messung
▪ HF-Schalter auf Antennensignalempfang eingestellt

Überprüfung und Messung
▪ Phasenversatz durch Leiterplatte hinzugefügt

Überprüfung und Messung
▪ Messeinrichtung
• PC
• 12V Stromversorgung
• Signalgenerator
• 28,8-MHz-Taktquelle
Ausgangssignal mit der gleichen Phase

Überprüfung und Messung
▪ Messergebnisse
• Ohne Phasendriftkompensation

• Mit Phasendriftkompensation

Überprüfung und Messung
▪ Messergebnisse
Vor Zeit, Phase und Frequenz Synchronisation

Nach Zeit, Phase und Frequenz Synchronisation

Überprüfung und Messung
▪ Messergebnisse

Fazit:
▪ Ein vierkanaliger kohärenter Empfänger basierend auf der Synchronisation von RTL-
SDRs wurden realisiert
▪ Der Restfrequenzfehler aufgrund der gebrochenen N- PLL war
erfolgreich von 250 auf 1350MHz kompensiert
▪ Die Synchronisation zeigt eine recht robuste Leistung bei 433 MHz, solange
die Phasendrift kontinuierlich ist
Weitere Arbeiten
▪ Kühlung und Abschirmung
▪ Messung bei höheren Frequenzen
▪ AGC für das Referenzrauschensignal
▪ Anwendungsdemonstration
▪ Timer
▪ HF-Schalter
▪ Taktverteilung
▪ Rauschquellen-Netzschalter

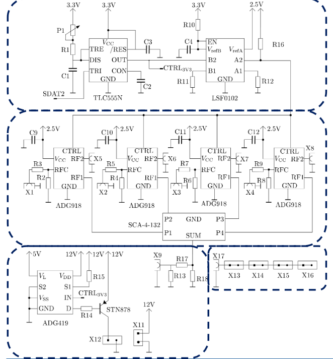
Hardware- und Software-Implementierung
HF-Schalter
▪ ADG918
• Saugfähiger SPDT-HF-Schalter
▪ SCA-4-132 +
• 4-Wege-Leistungsteiler
• Phasenunwucht muss kompensiert werden!
▪ Pad mit minimalem Verlust
• Bereitstellung einer Breitband-Impedanzanpassung von 50 Ω bis 75 Ω

Hardware- und Software-Implementierung
Triggersignal
▪ SDAT als Triggersignal
• I2C-Kommunikation zwischen Tuner-Chip R820T / EEPROM und
Demodulator-Chip RTL2832U tritt nur am Anfang der RTL-SDR-Konfiguration auf.
• Die I2C-Kommunikation beginnt mit einer fallenden Flanke bei SDAT während SCLK
hoch bleibt und endet mit einer steigenden Flanke bei SDAT, während SCLK
hoch bleibt.

Hardware- und Software-Implementierung
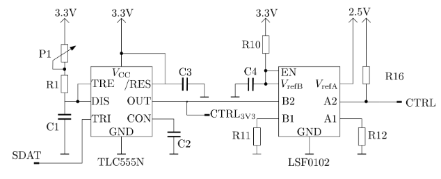
Timer
▪ TLC555
• Zeitschaltkreis für geringen Stromverbrauch
• Fallende Flanke ausgelöst
▪ LSF0102
• Spannungspegelübersetzer
• Öffnen Sie den Abfluss und drücken Sie Pull-kompatibel

Hardware- und Software-Implementierung
Synchronisationsalgorithmus
▪ Latenzzeitunterschied zwischen Kanälen
innerhalb der ersten Verarbeitungsschleife
▪ Die Latenz nimmt innerhalb einer Sekunde ab
Verarbeitungsschleife, bis keine Latenz mehr vorliegt.
Unterschied zwischen RTL-SDRs


Hardware- und Software-Implementierung
Synchronisationsalgorithmus
▪ Bestimmung wann das Antennensignal
bzw. wann der Empfang beginnt.

